网站首页
关于我们
产品展示
新闻公告
在线留言
联系我们
关于我们
产品展示
手套生产线链条
短节距滚子链
双节距滚子链
米制输送链
板式链
农机链
粮食加工链
棉纺链
特殊附板链A系列
特殊附板链B系列
新闻公告
新闻公告
在线留言
联系我们
产品中心
手套生产线链条
>
短节距滚子链
>
双节距滚子链
>
米制输送链
>
板式链
>
农机链
>
粮食加工链
>
棉纺链
>
特殊附板链A系列
>
特殊附板链B系列
>
空心销轴链
>
全国统一服务热线
0512-66201594
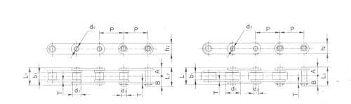
空心销轴链
空心销轴链
空心销轴链
咨询服务热线
0512-66201594
在线咨询
产品详情
空心销轴链